Originaltext der Patentanmeldung DE102016007287 vom 17.06.2016 mit den eingereichten Zeichnungen:
Zählung eines Stoffes in einem Kraftfahrzeug mit rückwirkungsfreier Kontrollvorrichtung
Zur Beschreibung der technischen Eigenschaften von Kraftfahrzeugen ist es üblich, bei einer Typprüfung den Kraftstoffverbrauch zu ermitteln, also die Kraftstoffmenge, die zur Überwindung einer definierten Bezugsstrecke von beispielsweise 100 KM benötigt wird.
Dazu präsentiert der Hersteller einen Prüfling, der auf einem Rollenprüfstand einem Fahrzyklus unterworfen wird. Die Aussagekraft eines solchen Verbrauchstests ist jedoch gering. Selbst wenn sichergestellt wäre, dass der Prüfling dem Serienstand entspricht, kann der verwendete Fahrzyklus niemals repräsentativ sein für alle in der Praxis vorkommenen Einsatzfälle.
Ein Kaufinteressent kann aus einer dermassen gewonnenen Angabe zum Verbrauch wenig ableiten, da sie keine nachvollziehbare Bedeutung aufweist, ausser mit dem genannten Verfahren ermittelt worden zu sein.
Wünschenswert wären jedoch Verbrauchsangaben mit nachvollziehbarer Bedeutung. Besonders günstig wäre es, wenn beispielsweise die Angabe „tatsächlicher Verbrauch: 6,7 – 4,2 l/100 km“ folgende auf Quartilen beruhende feststehende Bedeutung hätte: in 50% der Fälle liegt der tatsächlich Verbrauch innerhalb der Spanne, in jeweils 25% der Fälle darüber bzw. darunter.
Der tatsächliche Verbrauch eines Fahrzeugtyps ist für einen Kaufinteressent besonders interessant, denn er bestimmt maßgeblich die Betriebskosten. Der tatsächliche Verbrauch eines Fahrzeugs ist auch nach dem Kauf für den Betreiber interessant, und kann ggf. auch Anlass sein über die tatsächlichen Einsatzbedingungen und insbesondere den Fahrstil der Fahrer nachzudenken.
Zudem wäre es wünschenswert, den tatsächlichen Verbrauch der Herstellerflotten, also der Gesamtheit der von jeweils einem Hersteller gefertigten Autos ermitteln zu können. Dann wäre es durch geeignete Anreizsysteme möglich, den tatsächlichen Verbrauch der Herstellerflotten zu reduzieren. Tatsächlich ist es das Ziel gesetzgeberischer Massnahmen, derartige Anreizsysteme zu schaffen. Beispielhaft genannt sei die EU-Verordnung zur Verminderung der CO2 – Emissionen von Personenkraftwagen Nr. 443/2009 vom 23. April 2009. Dieser Verordnung liegt die Hoffnung zu Grunde, dass ein Anreizsystem, das niedrige Ergebnisse bei Typprüfungen an Einzelstücken auf einem Rollenprüfstand belohnt, auch dazu führt, den tatsächlichen Verbrauch der Herstellerflotten zu senken. Es ist technisch sehr plausibel, dass der Verbrauch auf dem Rollenprüfstand und der tatsächliche Verbrauch auf der Strasse positiv korrelieren. Es ist jedoch im Allgemeinen unbekannt, welche quantitativen Auswirkungen auf den tatsächlichen Verbrauch Bemühungen um bessere Testergebnisse auf dem Rollenprüfstand haben.
Eine technisch einfache Methode, um den tatsächlichen Verbrauch eines Fahrzeugs zu bestimmen, besteht darin, nach jedem Tankvorgang die getankte Kraftstoffmenge zu erfassen und zu summieren. Wenn nach einem Jahr und 10.000 Km 700 getankte Liter aufsummiert sind, dann lag der tatsächliche Verbrauch eines beispielhaften Fahrzeugs bei 7 Litern pro 100 Km. Dabei ist offensichtlich, dass der tatsächliche Verbrauch eines Fahrzeugs von den tatsächlichen Einsatzbedingungen wie Strassenverhältnissen, Temperaturen und insbesondere auch vom Fahrstil des tatsächlichen Fahrers abhängen.
Dies lässt sich automatisieren. Aus der DE 10 2008 041 396 A1 ist ein Fahrzeug mit einer Erfassung von Verbrauchswerten mit einer Durchflussmesseinrichtung bekannt. Eine Durchflussmesseinrichtung ist gut geeignet, um ein Zählwerk zu speisen, das den Kraftstofffluss über die gesamte Nutzungsdauer des Fahrzeugs aufsummiert. Ein entsprechend ausgerüstetes Fahrzeug verfügt dann neben einem Kilometerzähler über einen Kraftstoffzähler, wodurch jederzeit der Verbrauch pro 100 KM gebildet werden kann. Die DE 10 2008 041 396 A1 benennt eine Durchflussmesseinrichtung im Sinne eines Stromsensors bei einem elektrisch angetriebenen Fahrzeug, und eine Alternative im Sinne einer Durchflussmesseinrichtung im üblichen Sinne, also eines Sensors, der den Durchfluss eines flüssigen oder gasförmigen Stoffs erfasst. Hierzu sei angemerkt, dass Durchflussmesseinrichtung im üblichen Sinne in der Herstellung aufwändig und / oder fehlerträchtig sind. Mechanische Durchflussmesseinrichtungen insbesondere für flüssigen Kraftstoff können sich zusetzen, Sensoren auf Basis von Ultraschall sind aufwändig und ggf. ungenau. Hier weist der Stand der Technik Verbesserungspotential auf, auf das später noch eingegangen werden soll.
Bis hier wurde über die Erfassung eines Kraftstoffverbrauchs gesprochen, also die Zählung eines Kraftstoffflusses von einem Kraftstoffvorrat zu einer Antriebsmaschine. Dies kann, zumindest im Fall von CO2, als äquivalent betrachtet werden zur Zählung eines Schadstoffausstosses. Denn für einen gegebenen Kraftstoff ist gut bekannt, wieviel CO2 pro Liter Kraftstoff gebildet wird.
Thematisch verwand ist die Zählung des Ausstosses von Schadstoffen wie beispielsweise NOx. Deren Bildung ist sehr stark von den jeweiligen Betriebsbedingungen abhängig, und muss unabhängig vom Kraftstoffverbrauch ermittelt werden. Dazu sind ebenfalls Typprüfungen üblich. Auch hierfür präsentiert der Hersteller einen Prüfling, der auf einem Rollenprüfstand einem Fahrzyklus unterworfen wird, wobei die erzeugten Abgase mit aufwändiger Analysetechnik untersucht werden. Auch hier kann der verwendete Fahrzyklus niemals repräsentativ sein für alle in der Praxis vorkommenden Einsatzfälle. Es ist technisch sehr plausibel, dass der Schadstoffausstoß auf dem Rollenprüfstand und der tatsächliche Schadstoffausstoß auf der Strasse positiv korrelieren. Doch mitunter haben Bemühungen um bessere Testergebnisse auf dem Rollenprüfstand keinerlei quantitative Auswirkungen auf den tatsächlichen Schadstoffausstoß.
DE102008045811A1 offenbart ein Fahrzeug mit einer ersten Sensoreinrichtung zum Erfassen eines Momentanverbrauchs und einer zweiten Sensoreinrichtung zum Erfassen eines Momentanschadstoffausstoßes und ein Verfahren zum graphischen Darstellen von Momentanverbrauch und Momentanschadstoffausstoß. Eine solche Sensoreinrichtung zum Erfassen eines Momentanschadstoffausstoßes ist gut geeignet, um ein Zählwerk zu speisen, das den Schadstoffausstoß über die gesamte Nutzungsdauer des Fahrzeugs aufsummiert. Ein entsprechend ausgerüstetes Fahrzeug verfügt dann neben einem Kilometerzähler über einen Schadstoffzähler, wodurch jederzeit der Schadstoffausstoß pro 100 KM gebildet werden kann.
Alternativ zu einer direkten Messung eines Momentanverbrauchs und eines Momentanschadstoffausstoßes ist es möglich, den Momentanverbrauch oder einen Schadstoffausstoß im Sinne einer Prognose, Modellrechnung oder Schätzung zu bestimmen. Dadurch werden dedizierte Sensoren eingespart. Ggf. muss bei diesem Ansatz mit einer erhöhten Unsicherheit der gewonnenen Werte gerechnet werden. Zum Beispiel die DE 101 46 318 A1 befasst sich mit der Schätzung eines Momentanverbrauchs und lehrt, dass wenigsten in bestimmten temporären Betriebssituationen die Verbrauchswerte unter Berücksichtigung der Betriebsart korrigiert werden.
DE102014209551 offenbart ein Verfahren zur Verarbeitung sensorisch erfasster Werte eines Kraftfahrzeuges, wobei Sensordaten über eine Kommunikationsverbindung an eine zentrale Datenverarbeitungsstelle geschickt werden. In der zentralen Datenverarbeitungsstelle sollen Sensordaten fahrzeugübergreifend ausgewertet werden. Dabei sollen die Daten eines Fahrzeugs mit den Daten anderer Fahrzeuge des selben Fabrikats bzw. der selben Baureihe in Beziehung gesetzt werden, und Standardabweichungen erhoben werden. Eine Aufsummierung der Flüsse mehrerer Fahrzeuge eines Fabrikats oder einer Baureihe ist nicht vorgesehen. Jedes erfindungsgemäße Fahrzeug muss grundsätzlich über die Kommunikationsverbindung mit der zentralen Datenverarbeitungsstelle verbunden sein. Die Kommunikation ist obligatorisch, da die Rechenkapazität im Fahrzeug reduziert ist und nicht den regulären Betrieb sicherstellen kann. Eine gestörte Kommunikation führt zu einer Leistungsreduktion bzw. einem Kriechmodus.
Damit besteht keine sinnvolle Möglichkeit, einen etwaigen Wunsch eines Nutzers nach Schutz von personenbezogenen Daten zu berücksichtigen indem die Datenübertragung zur zentralen Datenverarbeitungsstelle eingeschränkt oder unterbunden wird.
Durch das bisher gesagte soll aufgezeigt werden, dass aus dem Stand der Technik brauchbare Ansätze bekannt sind, um Flüsse eines einzelnen Kraftfahrzeugs wie Kraftstoffverbrauch und Schadstoffausstoß zu erheben und zu zählen. Es fehlt jedoch an Mitteln, um Flüsse ganzer Kraftfahrzeugtypen und Kraftfahrzeugflotten zu erheben, weshalb zur Beschreibung von Kraftfahrzeugtypen und Kraftfahrzeugflotten bisher auf Typprüfungen auf einem Rollenprüfstand zurückgegriffen wird, die die in der Praxis vorkommenden Einsatzfälle naturgemäß nur unzureichend repräsentieren.
Im Bereich der Luftfahrzeuge und schienengebundenen Landfahrzeuge ergeben sich ggf. ähnliche Fragestellungen, dort ist jedoch üblicherweise die Aufgabenstellung dadurch vereinfacht, dass die gleiche Partei, die Betreiber von Fahrzeugen ist, auch das wirtschaftliche Interesse hat, den kumulierten Verbrauch von einer Flotte von Fahrzeugen zu ermitteln. Zudem ist dort der Kostendruck geringer. Bei Luftfahrzeuge und schienengebundenen Landfahrzeugen darf mehr Aufwand getrieben werden, um den Verbrauch eines Fahrzeugs zu ermitteln und über mehrere Fahrzeuge zu kumulieren. Zur Abgrenzung wird deshalb hier unter Fahrzeug bzw. Kraftfahrzeug immer ein maschinell angetriebenes selbstfahrendes, gleisfreies Landfahrzeug verstanden.
Aufgabe der vorliegenden Erfindung ist es, belastbare Aussagen zum Kraftstoffverbrauch der Gesamtheit der Kraftfahrzeuge eines Kraftfahrzeugtyps zu ermitteln. Weitere Aufgabe ist es, belastbare Aussagen zum Ausstoß eines Schadstoffs durch die Gesamtheit der Kraftfahrzeuge eines Kraftfahrzeugtyps zu ermitteln.
Die Aufgabe wird gelöst durch ein Verfahren nach Anspruch 1. Weitere Ansprüche beziehen sich auf hierzu erforderliche Vorrichtungen.
In einer beispielhaften Ausführung wird jedes Fahrzeug eines erfindungsgemäßen Fahrzeugtyps mit einer Sensoreinrichtung zum Erfassen eines Momentanverbrauchs ausgestattet. Diese Sensoreinheit ist dazu ausgebildet, für jeweils einen definierten Bruchteil eines Milliliters Kraftstoff einen Puls zu erzeugen. An die Sensoreinrichtung ist ein Zählwerk gekoppelt, das diese Pulse zählt, so dass der Zählwerksstand die in der Nutzungsdauer des Fahrzeugs verbrauchte Kraftstoffmenge repräsentiert. Das Zählwerk ist mit einer elektronischen Steuerung verbunden, die über einen nichtflüchtigen Speicher verfügt, über eine Echtzeituhr mit Kalendarium und über eine Schnittstelle, über die zumindest zeitweise Daten zu einer zentralen Datenverarbeitungsstelle gesendet werden können. Die Steuerung ist dazu ausgebildet, den aktuellen Zählwerksstand des Verbrauchszählers sowie den aktuellen Zählwerksstand des Kilometerzählers jeweils zu definierten Zeitpunkten wie dem Wechsel des Monats oder dem Wechsel des Jahres zusammen mit einem Zeitstempel in dem nichtflüchtigen Speicher abzuspeichern. Die Steuerung ist dazu ausgebildet beispielsweise beim Besuch einer Werkstatt über die Schnittstelle mit einer Auslesevorrichtung verbunden zu werden, die eine Verbindung zu einer zentralen Datenverarbeitungsstelle herstellt. Über diese Verbindung werden die zu den definierten Zeitpunkten gespeicherten Zählwerksstände an die zentrale Datenverarbeitungsstelle übermittelt. Dort werden für die jeweiligen Stichzeitpunkte die jeweiligen Zählwerkstände fahrzeugübergreifend addiert.
Indem Angaben zur Ausstattungsvariante des jeweiligen Fahrzeugs dem Datensatz hinzugefügt werden, kann der Hersteller ohne besondere Zusatzkosten den Verbrauch eines Fahrzeugtyps nach Ausstattungsvarianten differenzieren, und in einem Verkaufsprospekt entsprechend differenzierte Angaben machen. Nach dem Stand der Technik dagegen sind die Versuche auf dem Rollenprüfstand so aufwändig, dass der Fahrzeugtyp nur jeweils in einer Grundausstattung geprüft wird, und keine Daten für den Verbrauch in den Ausstattungsvarianten erhoben werden.
In der zentralen Datenverarbeitungsstelle laufen die benötigten Daten abhängig von den Zeitpunkten der Datenverbindung zeitverzögert ein. Wenn der Fahrzeughersteller beispielsweise im Frühjahr eines Jahres für einen Geschäftsbericht die Verbrauchsdaten abrufen möchte, dann kann er – eine mindestens jährliche Verbindung anlässlich eines jährlichen Inspektionstermins vorausgesetzt – unvollständige Verbrauchsdaten zum Vorjahr und weitgehend vollständige Verbrauchsdaten zum Jahr davor abrufen. Er kann in seinem Geschäftsbericht damit für das Vorjahr lediglich eine relativ unsichere Hochrechnung anbieten, aber für das Jahr davor sehr belastbare klimarelevante Fakten zum Kundenverbrauch angeben.
Dies verdeutlicht, dass das erfindungsgemäße Verfahren erst Verbrauchsdaten liefern kann, sobald eine gewisse Menge an Fahrzeugen im Einsatz ist. Sie liefert also für die allerersten Käufer eines neu einzuführenden Fahrzeugtyps keine Entscheidungshilfe.
Da ein Fahrzeughersteller ein Eigeninteresse daran hat, dass die Verbrauchsdaten der vom ihm gefertigten Fahrzeuge niedrig erscheinen, werden Mechanismen benötigt, die etwaige Manipulation der erhobenen Daten sichtbar machen würden und somit für Vertrauen in die Aussagekraft der erhobenen Daten sorgen. Manipulation wird hier wie im Folgenden in der Bedeutung der interessengeleiteten vorsätzlichen Irreführung verwendet.
Andererseits können je nach Jurisdiktion die von einem einzelnen Fahrzeug gesendeten Daten als personenbezogen gewertet werden, und ein sorgfältig in Bezug auf Datenschutz abgewogenes Vorgehen erfordern.
Auf diese Aspekte wird in den nachfolgend an Hand einiger Figuren gezeigten Ausführungsbeispiele eingegangen.
Es zeigen
- Figur 1 Fahrzeug und Vorrichtungen für die Zählung des Kraftstoffverbrauchs
- Figur 2 Fahrzeug und Vorrichtungen für die Zählung eines Schadstoffausstoßes
- Figur 3 Fahrzeug und Vorrichtungen für die Abschätzung der Wirksamkeit einer Abgasreinigung mit einem Schutz vor Manipulationen
Figur 1 zeigt ein Fahrzeug 10 mit einem Kraftstofftank 20, einem Treibstoffpegelsensor 30, einer elektronischen Steuerung 40, die über einen nichtflüchtigen Speicher 50, eine Echtzeituhr mit Kalendarium 60 und eine Schnittstelle 70 verfügt. Innerhalb der Steuerung 40 ist ein Zählwerk 80 für den Verbrauch und ein Zählwerk 90 für den Kilometerstand realisiert. Die Zählwerke und der nichtflüchtige Speicher sind hier zum Zweck der vereinfachten Darstellung als getrennte Funktionsblöcke gezeigt. Tatsächlich werden die Zählwerke jedoch wie aus dem Stand der Technik bekannt mit Hilfe von flüchtigem und nichtflüchtigen Speicher so gebildet, dass ihr Inhalt über die Produktlebenszeit hinweg gültig und interpretierbar bleibt – auch wenn beispielsweise einmal eine Fahrzeugbatterie ausgebaut wird. In dieser Ausführung wird aus Kostengründen auf eine Sensoreinrichtung zum Erfassen eines Momentanverbrauchs verzichtet. Stattdessen wird die benötigte Verbrauchsinformation aus den Sensordaten des Treibstoffpegelsensor 30 generiert. Der Treibstoffpegelsensor 30 ist entsprechend dem Vorschlag der DE10021721A1 dazu eingerichtet, das im Kraftstofftank 20 befindliche Treibstoffvolumen zu berechnen. Dabei kann wie in DE10021721A1 angegeben Ultraschall eingesetzt werden, es kann auch aus dem Ort eines Schwimmers auf den Treibstoffpegel geschlossen werden. Die Berechnungen zur Ermittlung eines Treibstoffvolumens aus Sensorrohdaten können wie in DE10021721A1 angegeben komplett im Treibstoffpegelsensor 30 erfolgen, sie können aber auch ganz oder teilweise in die Steuerung 40 verlagert sein. Dem Fachmann ist klar, dass es für die verschiedensten Sorten von Treibstoffpegelsensoren möglich ist, auf das in einem Kraftstofftank befindliche Treibstoffvolumen zu schliessen, solange die Geometrie und insbesondere das Volumen des Kraftstofftanks bekannt sind. Um den Einfluss der Temperatur auf die Geometrie des Tanks zu verringern, kann aus den Sensordaten eines Temperatursensors (nicht dargestellt) auf die Temperatur des Kraftstofftanks geschlossen werden, und so die durch temperaturabhängige Materialausdehnung bewirkte Volumenänderung herausgerechnet werden. Um den Einfluss von Fertigungsstreuungen auf die Geometrie des Tanks zu verringern, kann bei einer Betankung nach der Fertigung die zum Volltanken benötigte Kraftstoffmenge durch externe Sensoren gemessen, und an die Steuerung 40 übertragen werden, und von dieser im nichtflüchtigen Speicher 50 gespeichert werden. Mit Hilfe dieses Kalibrierwerts kann die durch Fertigungsstreuungen bewirkte Unsicherheit im Volumen herausgerechnet werden. In der Steuerung 40 ist eine Programmlogik realisiert, die dazu eingerichtet ist, bei jeder Abnahme des im Kraftstofftank 20 befindlichen Treibstoffvolumens den Stand des Zählwerks 80 für den Verbrauch entsprechend dieser Abnahme zu erhöhen. Zur Veranschaulichung sind in Figur 1 Treibstoffpegelsensor 30 und Zählwerk 80 verbunden dargestellt. Bei einer Zunahme des im Kraftstofftank 20 befindlichen Treibstoffvolumens durch einen Tankvorgang bleibt der Stand des Zählwerks 80 unberührt. Eine unplausible Abnahme des Treibstoffvolumens insbesondere im Stand wird als Fehler bzw. Manipulation gewertet und nicht als Verbrauch und führt zu einer entsprechenden Fehlermeldung.
Offensichtlich ist es wichtig, die Zunahme des im Kraftstofftank 20 befindlichen Treibstoffvolumens durch einen Tankvorgang genau zu erfassen. Für die Genauigkeit des Verfahrens ist es entscheidend, das Treibstoffvolumen vor dem Tankvorgang und unmittelbar nach dem Tankvorgang genau zu erfassen. Deshalb wird vorgeschlagen, den Treibstoffpegelsensor 30 auch nach dem Abschalten der Zündung beispielsweise durch Drehen eines Zündschlüssels mit Spannung zu versorgen und durchgehend während des Tankvorgangs Messwerte aufzunehmen, auch wenn für einen Tankvorgang die Zündung abgeschaltet wird. Denn Treibstoffpegelsensoren können zu Fehlern neigen, wenn das Fahrzeug beschleunigt wird oder geneigt ist, weil dann ggf. kein horizontaler Treibstoffpegel vorliegt, oder der Treibstoffpegel relativ zum Sensor verdreht ist. Fahrzeuge werden in der Mehrzahl der Fälle im horizontalen Zustand betankt, denn weltweit sind Tankstellen nach Möglichkeit auf horizontalem Terrain angeordnet. Deshalb sind die Sekunden vor Beginn bzw. nach Ende des Tankvorgangs besonders geeignet, um genaue Messwerte zu erzielen. Würde der Treibstoffpegelsensor 30 wie üblich erst nach dem Zurückdrehen des Zündschlüssels in einen Betriebszustand mit Spannung versorgt, könnte bereits eine Beschleunigung des Fahrzeugs erfolgen, bevor der Treibstoffpegelsensor 30 eine Möglichkeit hätte, einen einzigen genauen Messwert zu liefern. Um die Genauigkeit weiter zu steigern, können Kraftstofftank 20 und Treibstoffpegelsensor 30 so gestaltet sein, dass im Falle eines weitgehend gefüllten bzw. weitgehend entleerten Tanks eine erhöhte Meßgenauigkeit erzielt wird. Dies trägt dem Umstand Rechnung, dass Fahrzeuge in vielen Fällen voll betankt werden, nachdem ihr Tank weitgehend leer gefahren wurde. Um dies zu veranschaulichen, ist der Kraftstofftank 20 in Figur 1 rautenförmig dargestellt.
In der Steuerung 40 ist eine Programmlogik realisiert, die dazu eingerichtet ist, einen Monatswechsel an den Daten der Echtzeituhr mit Kalendarium 60 zu erkennen und nach einem Monatswechsel einen Datensatz zu bilden, der aus Zeitstempel, Zählwerksstand des Verbrauchszählers, Zählwerksstand des Kilometerzählers, der Fahrgestellnummer (oder einer vergleichbaren Identifikation) und ggf. angefallenen Fehlermeldungen besteht. Dieser Datensatz wird im nichtflüchtigen Speicher 50 abgelegt. In der Steuerung 40 ist ein Ruhezustand realisiert, der bewirkt, dass bei abgezogenem Zündschlüssel nur eine eingeschränkte Funktionalität verfügbar ist. In diesem Ruhezustand werden Schreibvorgänge in den nichtflüchtigen Speicher 50 vermieden. Befindet sich das Fahrzeug zum Monatswechsel im Ruhezustand, dann wird der beschriebene Datensatz erst beim Verlassen des Ruhezustands, also verzögert gebildet und gespeichert. Dabei wird als Zeitstempel der Zeitpunkt des Monatswechsel gespeichert, und nicht der Zeitpunkt, zu dem der Ruhezustand verlassen wurde. Dadurch kann aus den gespeicherten Daten möglichst wenig Rückschluß auf die Gewohnheiten des Fahrers gezogen werden. Es ist möglich, dass beim Verlassen des Ruhezustands mehrere Datensätze geschrieben werden, weil mehrere aufeinanderfolgende Monatswechsel erfolgten, während das Fahrzeug ununterbrochen im Ruhezustand war.
Die Steuerung ist dazu ausgebildet, beim Besuch einer Werkstatt über die Schnittstelle 70 mit einer Auslesevorrichtung 100 verbunden zu werden. Diese Schnittstelle entspricht einer üblichen OBD-II-Serviceschnittstelle zum Auslesen der Fehlerspeicher. Über diese Verbindung werden wie üblich die Fehlerspeicher ausgelesen, und zusätzlich die zu den Monatswechseln gespeicherten Datensätze an die Auslesevorrichtung 100 übermittelt. Während die Auslesevorrichtung 100 mit dem Fahrzeug verbunden ist, muss nicht notwendigerweise eine Verbindung zu einem Weitbereichsnetzwerk wie dem Internet bestehen. Die Auslesevorrichtung ist dazu ausgebildet, regelmässig mit dem Internet 160 verbunden zu werden, um beispielsweise Aktualisierungen von Fehlercodes zu empfangen. Dieser temporäre Zustand einer Verbindung mit dem Internet ist durch 100′ dargestellt. Ein und dieselbe Auslesevorrichtung kann einerseits, wie mit dem Block 100 dargestellt, mit einem Fahrzeug 10 verbunden sein, und andererseits, wie mit dem Block 100′ dargestellt, mit dem Internet 160. Wenn diese Auslesevorrichtung temporär mit dem Internet verbunden ist, und neue verbrauchsbezogene Datensätze vorliegen, werden diese an eine zentrale Datenverarbeitungsstelle 150 übertragen. In der zentralen Datenverarbeitungsstelle wird ein empfangener Datensatz jeweils ausgewertet und aus der Fahrgestellnummer (oder einer vergleichbaren Identifikation) auf Typ und Baujahr des Fahrzeugs geschlossen. Dabei ist für jede Kombination aus Typ, Baujahr und Stichzeitpunkt in der zentralen Datenverarbeitungsstelle jeweils ein Verbrauchszählwerk und ein Kilometerzählwerk vorgesehen, zu denen die jeweils von einem in Typ, Baujahr und Stichzeitpunkt passenden Datensatz stammenden Zählwerkstände fahrzeugübergreifend addiert werden. Zudem wird für die für jeweilige Kombination aus Typ, Baujahr und Stichzeitpunkt die Anzahl der Fahrzeuge gezählt, deren Daten verarbeitet wurden. Sobald die Daten einer kleinen Anzahl von Fahrzeuge verarbeitet wurden, können bereits erste, wenig repräsentative Mittelwerte gebildet werden, beispielsweise für den Verbrauch pro 100 gefahrener Kilometer oder die gefahrenen Kilometer pro Fahrzeug. Je mehr Fahrzeuge erfasst wurden, desto aussagekräftiger werden die erhaltenen Daten. Aus der Differenz der Daten zweier aufeinanderfolgender Stichzeitpunkte kann beispielsweise auf die mittlere Fahrleistung oder den mittleren Verbrauch in einem Bezugsintervall geschlossen werden. So werden beispielsweise jahreszeitliche Effekte sichtbar.
Selbstredend kann die Auslesevorrichtung 100 oder die zentrale Datenverarbeitungsstelle Plausibilitätstests durchführen, um technische Fehler oder Manipulationen zu erkennen. Beispielsweise kann während einer Verbindung ein Uhrenvergleich erfolgen. Bei einem erkannten Fehler können die wahren Daten rekonstruiert werden (z.B. werden Zeitstempel bei einer falsch gestellten Uhr ggf. korrigiert, und die Uhr ggf. gestellt.) Nicht korrigierbare Daten werden als unbrauchbar ausgesondert.
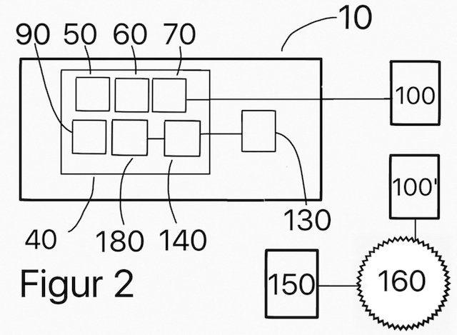
Figur 2 zeigt ein Fahrzeug 10 mit einem NOx-Sensor 130 und einer elektronischen Steuerung 40, die über einen nichtflüchtigen Speicher 50, eine Echtzeituhr mit Kalendarium 60 und eine Schnittstelle 70 verfügt. Innerhalb der Steuerung 40 ist ein NOx-Quantisierer 140, ein Zählwerk 180 für die Erzeugung von NOx und ein Zählwerk 90 für den Kilometerstand realisiert. Der NOx-Sensor kann der Offenbarung der DE102008024177B3 entsprechen, und die Konzentration von NOx im Abgas messen. Dem NOx-Quantisierer 140 fällt die Aufgabe zu, aus der Konzentration von NOx im Abgas auf den NOx-Fluss zu schliessen. Der NOx-Quantisierer ist dazu eingerichtet, weitere Sensordaten wie Drosselklappenstellung, Geschwindigkeit etc., die in der Steuerung vorliegen, zu verarbeiten, und aus diesen Sensordaten auf den Kraftstofffluss zum Motor und die Menge der zugeführten Verbrennungsluft zu schliessen. Hieraus kann rechnerisch der Gesamtabgasfluss bestimmt werden. Über die gemessene NOx-Konzentration kann aus dem Gesamtabgasfluss auf den NOx-Fluss geschlossen werden, und beispielsweise pro erzeugtem Mikrogramm NOx ein Puls erzeugt werden, so dass das nachgeschaltete Zählwerk 180 nur die Pulse zählen muss. Zur Veranschaulichung sind in Figur 2 jeweils NOx-Sensor 130 und NOx-Quantisierer 140 sowie NOx-Quantisierer 140 und Zählwerk 90 verbunden dargestellt. Aus Gründen der Übersichtlichkeit ist nicht jede logische Verbindung innerhalb der Steuerung 40 gezeigt, die genannten Verbindungen sind in diesem Sinne beispielhaft. Entsprechend der Erklärung zur Figur 1 ist in der Steuerung 40 eine Programmlogik realisiert, die dazu eingerichtet ist, einen Monatswechsel an den Daten der Echtzeituhr mit Kalendarium 60 zu erkennen und nach einem Monatswechsel einen Datensatz zu bilden. In diesem Fall umfasst der Datensatz Zeitstempel, Zählwerksstand des NOx-Zählwerks, Zählwerksstand des Kilometerzählers, Fahrgestellnummer (oder eine vergleichbaren Identifikation) und ggf. angefallene Fehlermeldungen. Dieser Datensatz wird im nichtflüchtigen Speicher 50 abgelegt.
Entsprechend der Erklärung zur Figur 1 ist die Steuerung dazu ausgebildet, beim Besuch einer Werkstatt über die Schnittstelle 70 mit einer Auslesevorrichtung 100 verbunden zu werden. Datensätze werden entsprechend der Erklärung zur Figur 1 von der Steuerung 40 über die Schnittstelle 70 zur Auslesevorrichtung 100 transportiert und von der Auslesevorrichtung 100 zur zentralen Datenverarbeitungsstelle. Dort werden entsprechend der Erklärung zur Figur 1 für die jeweiligen Stichzeitpunkte die jeweiligen NOx-Zählwerkstände und Kilometer-Zählwerkstände fahrzeugübergreifend addiert.
Figur 3 zeigt ein Kraftfahrzeug 10 mit einer Abgasreinigungsvorrichtung 300 und einer elektronischen Steuerung 40, die über einen nichtflüchtigen Speicher 50, eine Echtzeituhr mit Kalendarium 60 und eine Schnittstelle 70 verfügt. Innerhalb der Steuerung 40 ist wie in Figur 1 dargestellt ein Zählwerk 80 für den Verbrauch und ein Zählwerk 90 für den Kilometerstand realisiert. Ausserdem ist innerhalb der Steuerung 40 ein Aktivator 310 realisiert, der die Einrichtung zur Abgasreinigung 300 je nach Betriebszustand aktiviert, sowie ein Zählwerk 320 für die bei inaktiver Abgasreinigung 300 zurückgelegten Kilometer sowie ein Zählwerk 330 für die bei inaktiver Abgasreinigung 300 verbrauchte Kraftstoffmenge. Der Aktivator 310 dient dem Schutz des Kraftfahrzeuges, und sorgt dafür, dass die Abgasreinigungsvorrichtung 300 deaktiviert wird, wenn extreme Kälte oder andere Widrigkeiten zu Beschädigungen der Abgasreinigungsvorrichtung 300 oder anderer Teile des Kraftfahrzeugs führen würden. Der Aktivator 310 ist aus dem Stand der Technik bekannt, und üblicherweise durch eine geeignete Programmlogik als Teil der Fahrzeugsteuerung realisiert. Diese Programmlogik wird aus guten Gründen als Betriebsgeheimnis betrachtet. Daraus ergibt sich im Stand der Technik die Schwierigkeit, dass kaum von aussen erkennbar ist, ob die Abgasreinigungsvorrichtung 300 tatsächlich im realen Betrieb den gewünschten Effekt erzielt, Abgas zu reinigen. Der Aktivator 310 kann so gestaltet sein, dass die Vorrichtung 300 nur bei einer Typprüfung auf einem Rollenprüfstand aktiv ist. In einem Fahrzeug mit Weitbereichsschnittstelle könnten zudem externe Einflüsse in die Funktion des Aktivators 310 eingreifen. Die Abgasreinigung kann von der Ausrichtung eines beabstandeten mit einem Getreideprodukt aus der Gattung der Süßgräser gefüllten textilen Transportbehälters abhängen. Selbst wenn jeder Schaltvorgang des Aktivators 310 in einem Betriebslogbuch, wie es beispielsweise von Elektrizitätszählern bekannt ist, festgehalten würde, wäre dessen Effekt nicht unmittelbar einsichtig. Es wäre denkbar, in einem Betriebslogbuch jeden Schaltvorgang des Aktivator 310 mit zugeordnetem Kilometerstand (oder Verbrauchsstand) zu speichern. Das würde jedoch grosse zu speichernde Datenmengen bedeuten und einen hohen Aufwand zur Auswertung bedingen. Deshalb wird in diesem Ausführungsbeispiel vorgeschlagen, die beiden genannten Zählwerke 320 und 330 vorzusehen, die jeweils unter der Bedingung zählen, dass der Aktivator 310 die Abgasreinigung deaktiviert. Eine bedingte Zählung ist beispielsweise aus dem Bereich der digitalen Elektrizitätszähler bekannt und mit geringem Aufwand umsetzbar.
Der Zählwerksstand der Zählwerke 320 und 330 repräsentiert den durch Inaktivierung der Abgasreinigung bedingten möglichen Schaden für die Umwelt. Entsprechend der Erklärungen zur Figur 1 und Figur 2 ist die Steuerung dazu ausgebildet, zu Stichzeitpunkten Datensätze mit diesen Zählwerksständen zu bilden und zu einem anderen Zeitpunkt über die Schnittstelle 70 auszugeben. Datensätze werden entsprechend der Erklärung zur Figur 1 von der Steuerung 40 über die Schnittstelle 70 zur Auslesevorrichtung 100 transportiert und in einem mit 100′ gezeichneten Zustand der Auslesevorrichtung weiter zur zentralen Datenverarbeitungsstelle 150. Dort werden entsprechend der Erklärung zur Figur 1 bzw. Figur 2 für die jeweiligen Stichzeitpunkte die jeweiligen Zählwerksstände fahrzeugübergreifend addiert. Dort kann dann streckenbezogen und / oder kraftstoffbezogen der Beitrag der Abgasreinigung ermittelt werden. Um für eine gute Kontrollierbarkeit zu sorgen wird vorgeschlagen, die Schnittstelle 70 so zu gestalten, dass dort eine Kontrollvorrichtung 340 zur Auslesung von Zustandsdaten im Betrieb rückwirkungsfrei anschliessbar ist. Die Schnittstelle 70 soll einer Vorrichtung 340 Zugang zu einem Datenbus, beispielsweise einem CAN-Bus gewähren. Dabei soll der Umstand, dass eine Kontrollvorrichtung 340 tatsächlich angeschlossen ist, oder nicht, für die Steuerung 40 nicht erkennbar sein. Die Steuerung 40 ist so gestaltet, dass aktuelle Zählwerksstände der Zählwerke 320, 330, 80 sowie 90 zyklisch an die Schnittstelle 70 gesendet werden, so dass sie für die Kontrollvorrichtung 340 empfangbar sind, sofern eine solche Vorrichtung gerade angeschlossen ist. Durch diese Rückwirkungsfreiheit besteht keine technische Möglichkeit, dass eine Fahrzeugsteuerung ihre Betriebsweise an die Tatsache anpasst, dass ihre Funktion überprüft wird. Diese Rückwirkungsfreiheit wird dadurch erreicht, dass die Vorrichtung 340 so gestaltet wird, dass sie keine Daten anfordert, überhaupt nicht sendet, sich insbesondere nicht an einem CAN-BUS mit einer Sendeadresse identifizierbar macht. Dazu ist die Schnittstelle 70 so gestaltet, dass Signale eines internen Datenbusses auch dann zu den zugeordneten Kontakten der Schnittstelle geleitet werden, wenn keine angeschlossene Gegenstelle erkannt wird. Dazu wird die Schnittstelle 70 als OBD2-Diagnosebuchse ausgeführt mit einem Pin, der mit Signalmasse verbunden ist und einem Pin, der mit einem CAN-High Signalpegel verbunden ist, und mit einem Pin, der mit einem CAN-Low Signalpegel verbunden ist – auch dann, wenn herstellerspezifische Mechanismen, die ausgebildet sind eine angeschlossene Gegenstelle zu identifizieren, keine angeschlossene Gegenstelle erkennen. Eine solche rückwirkungsfreie Kontrollvorrichtung kann im Rahmen von stichprobenartigen Tests mit einer mobilen Einrichtung zur Abgasanalyse verbunden werden, die messtechnisch ermittelt ob die Abgasreinigungsvorrichtung 300 arbeitet. Damit kann sehr schnell festgestellt werden, ob die Zählwerke 320, 330 tatsächlich wie gefordert in Abhängigkeit vom Aktivator 310 arbeiten. Hierfür wird eine relativ teure mobile Einrichtung zur Abgasanalyse pro Fahrzeug kaum eine Stunde benötigt. Andererseits kann die relativ preiswerte Kontrollvorrichtung 340 über einen längeren Zeitraum an der Schnittstelle 70 verbleiben um sicherzugehen, dass die Zählwerke in jedem Zustand korrekt arbeiten, niemals zu Manipulationszwecken zurückspringen, und zum Monatswechsel korrekt gespeichert werden.
Um eine rückwirkungsfreie Anbindung der Kontrollvorrichtung 340 an die Schnittstelle 70 zu ermöglichen muss diese nicht als OBD2-Diagnosebuchse ausgeführt sein, sie muss nicht einmal als drahtgebundene Schnittstelle ausgebildet sein. Die OBD2-Diagnosebuchse stellt lediglich deshalb eine besonders günstige Ausführungsform dar, weil sie weit verbreitet und in den meisten modernen Fahrzeugen vorhanden ist. Alternativ könnte die Schnittstelle 70 auch als Funkschnittstelle ausgebildet sein, die unaufgefordert Datentelegramme mit aktuellen Zählwerksstände der Zählwerke 320, 330, 80 sowie 90 aussendet. Eine rückwirkungsfreie Kontrollvorrichtung an einem CAN-Bus ist nicht neu. Neu ist ihre planmäßige Nutzung zu Unterbindung von Manipulationsmöglichkeiten im Zusammenhang mit Zählwerken. Der Informationswert der Zählwerke wird dadurch gesteigert, dass die Drohung einer Überwachung mit Hilfe einer rückwirkungsfreien Kontrollvorrichtung vor Manipulationen abschreckt. Um vor Manipulationen bei der Verarbeitung der Daten in einer zentralen Datenverarbeitungsstelle abzuschrecken, werden neben einer ersten zentralen Datenverarbeitungsstelle 150 weitere Datenverarbeitungsstellen 350, 360 und 370 vorgesehen. Es ist vorgesehen, dass die verschiedenen Datenverarbeitungsstellen verschiedenen Betreibern wie Automobilclubs, Fahrzeughersteller, Versicherungen, benannte Stellen, staatliche Aufsichtsbehörden etc. zugeordnet sind, von denen anzunehmen ist, dass eine Mehrzahl oder mindestens einer der Betreiber die Daten manipulationsfrei verarbeitet. Dazu werden Verarbeitungsergebnisse der verschiedenen Datenverarbeitungsstellen veröffentlicht, so dass ein interessiertes Publikum in die Lage versetzt wird, diese Ergebnisse miteinander zu vergleichen und die Abweichungen zu bewerten. Der Fahrzeughalter wird die von seinem Fahrzeug erzeugten Datensätze nicht jedem der zu Auswahl stehenden Betreiber anvertrauen wollen. Zudem wird er einen Schutz diese Datensätze vor einem unbefugten Zugriff durch Kriminelle fordern.
Deshalb ist vorgesehen, dass die Datensätze von der Schnittstelle 70 zur Auslesevorrichtung 100 und von dort weiter zu einer Datenverarbeitungsstelle jeweils verschlüsselt übertragen werden. Dazu ist in jeder dieser Datenverarbeitungsstellen jeweils ein öffentlicher und ein privater Schlüssel vorgesehen. Der nichtflüchtige Speicher 50 des Fahrzeugs ist dazu vorgesehen, eine Auswahl der verfügbaren öffentlichen Schlüssel zu speichern. Der Fahrzeughalter kann entscheiden, welchen Betreibern er vertraut, und die diesen Betreibern zugeordneten öffentlichen Schlüssel beispielsweise beim Kauf oder einem Werkstattbesuch in den nichtflüchtigen Speicher 50 speichern lassen, zusammen mit Addressdaten, die eine Durchleitung der Datensätze durch das Internet 160 zur zugeordneten Datenverarbeitungsstelle steuern. Die Steuerung 40 ist so gestaltet, dass die gespeicherten öffentlichen Schlüssel zyklisch an die Schnittstelle 70 gesendet werden, so dass sie für die Vorrichtung 340 empfangbar sind, sofern eine solche Vorrichtung gerade angeschlossen ist. Dadurch kann ein Fahrzeughalter, der dem Vorgang der Speicherung bzw. den beteiligten Akteuren misstraut, das Ergebnis dieses Vorgangs im Nachgang kontrollieren. Um für den Fahrzeughalter kontrollierbar zu machen, dass wirklich diese Schlüssel zur Verschlüsselung verwendet werden, und dass die verschlüsselten Datensätze jeweils korrekte Zeitstempel und Zählwerksstände für die Zählwerke 80, 90, 320 und 330 aufweisen, kann während der Übertragung der verschlüsselten Datensätze von der Schnittstelle 70 zu einer Auslesevorrichtung 100 über ein geeignetes Y-Kabel eine Kontrollvorrichtung 340 rückwirkungsfrei angeschlossen werden. Genau das entspricht dem in Figur 3 gezeigten Zustand. Die von der Kontrollvorrichtung 340 mitgelesenen Chiffrate kann der Fahrzeughalter dann auf einem unabhängigen Kommunikationsweg zu den zugeordneten Datenverarbeitungsstellen schicken. Dazu kann der Fahrzeughalter die Chiffrate beispielsweise in hexadezimale Zeichenketten umwandeln, auf Papier ausdrucken und per Briefpost an die Datenverarbeitungsstellen senden. Oder er sendet sie per email. In der Datenverarbeitungsstellen können diese zu Kontrollzwecken geschickten Chiffrate mit den jeweils auf regulärem Weg von der Auslesevorrichtung 100 übertragenen Chiffraten verglichen werden. Eine etwaige Manipulation auf dem regulärem Weg über die Auslesevorrichtung 100 würde hierdurch aufgedeckt. Gleichzeitig würde eine Manipulation aufgedeckt, die auf der Verwendung eines falschen, nicht von der zugeordneten Datenverarbeitungsstelle ausgegebenen öffentlichen Schlüssels beruht. Denn in diesem Fall würde die Entschlüsselung scheitern. Der Fahrzeughalter erhält von der Datenverarbeitungsstelle die entschlüsselten Datensätze sowie ggf. einen Prüfbericht. Damit kann er prüfen, ob die Zählwerksstände für die Zählwerke 80 und 90 mit seinen Aufzeichnungen übereinstimmen. Wenn der Fahrzeughalter die weiter oben beschriebene Möglichkeit nutzt, mit Hilfe der Kontrollvorrichtung 340 die unverschlüsselten Stände aller Zählwerke an der Schnittstelle 70 zyklisch mitzulesen, dann kann er zudem für alle Zählwerksstände prüfen, ob die entschlüsselten Datensätze zu den mitgelesenen passen. Weiterhin kann der Fahrzeughalter einen eigenen öffentlichen Schlüssel und eine eigene Adresse, beispielsweise eine email-Adresse im nichtflüchtigen Speicher 50 des Fahrzeugs hinterlegen, so dass er ohne grossen Aufwand seine Zählwerkstände erhalten kann.
Durch diese Massnahmen sind dem Fahrzeughalter Kontrollmöglichkeiten an die Hand gegeben, die er ggf. dann zweckmässig nutzen wird, wenn er unplausible Abweichungen registriert zwischen seinem Verbrauch, und den vom Hersteller als typisch angegebenem Verbrauch.
Ein Hersteller benötigt umgekehrt Mittel, um von seiner Seite die Integrität der Datenübermittlung nachzuvollziehen für den Fall, dass diese beispielsweise vom Fahrzeugbetreiber angezweifelt wird. Deshalb ist für den Fahrzeughersteller die Möglichkeit vorgesehen, im nichtflüchtigen Speicher 50 des Fahrzeugs einen privaten Schlüssel zu speichern, der von der Steuerung 40 zur Authentifizierung der Datensätze genutzt wird. Die Datensätze werden also vor dem Versand mit dem vom Fahrzeughersteller eingebrachten privaten Schlüssel authentifiziert und mit jeweils einem einer Datenverarbeitungsstellen zugeordneten öffentlichen Schlüssel verschlüsselt. Nach der Entschlüsselung ist für alle Beteiligten eine Authentifikation mit Hilfe des öffentlichen Schlüssel des Fahrzeugherstellers möglich. Mit „vom Fahrzeughersteller eingebrachten privaten Schlüssel“ soll verdeutlicht werden, dass die Verwaltung dieses privaten Schlüssels im Interesse und in der Verantwortlichkeit des Fahrzeugherstellers liegt. Tatsächlich wird der Hersteller vorzugsweise eine Ausgestaltung wählen, bei der in einem Inbetriebnahmezustand in der Steuerung 40 ein Schlüsselpaar generiert wird, von dem der private Schlüssel niemals die Steuerung verlässt und also auch nicht dem Hersteller bekannt ist. Nur der öffentliche Schlüssel wird ausgelesen und veröffentlicht. Abweichend von den Erklärungen zur Figur 1 ist in den Datenverarbeitungsstellen jeweils eine Datenbank realisiert, in der die empfangenen Datensätze dauerhaft gespeichert werden. Fahrzeugübergreifende Additionen von Zählwerkständen finden im Zuge von Auswertungen statt. Dadurch kann im Nachgang der Detailgrad oder der Zeitraum von Auswertungen verändert werden. Der Fahrzeughersteller kann z.B. nachprüfen, ob der unterjährige Wechsel eines Zulieferers für eine Abgasreinigungsvorrichtung mit einem Wechsel im Kraftstoffverbrauch einhergeht.
Zudem bleiben die empfangenen Datensätze für Kontrollzwecke verfügbar, für den Fall dass die Integrität der Daten angezweifelt wird.
Alternativ zu der bis hierhin dargestellten Übertragung von Zählwerkständen könnten jeweils Vorschübe übertragen werden, also der im jeweiligen Bezugszeitraum erfolgte Zuwachs im Zählwerksstand. Dann würde in der zentralen Datenverarbeitungsstelle der Aufwand eingespart, um den Verbrauch im Bezugszeitraum durch Subtraktion zweier Zählerstände zu ermitteln. Der Nachteil wäre aber, dass der Verlust eines Datensatzes zu einer Lücke führen würde, die nicht wieder zu schliessen wäre. Ansonsten sind beide Ansätze praktisch gleichwertig. Deshalb soll im Folgenden unter Zählwerksstand auch der Fall verstanden werden, dass ein Zählwerk einen Vorschub erfasst, und jeweils nach der Speicherung eines Datensatzes auf Null zurückgesetzt wird.
Das in den Erklärungen zur Figur 3 beschriebene kryptografische Konzept kann je nach angenommener Bedrohungssituation und Inhalt der Datensätze vereinfacht oder verschärft werden. Sollen beispielsweise geografische Positionen in die Datensätze aufgenommen werden, so müssen diese stärker geschützt werden, da dadurch ein weitergehender Rückschluss auf eine private Lebensführung ermöglicht würde. Ebenso bei einer engeren zeitlichen Rasterung wie beispielsweise täglich gebildeten Datensätzen, oder bei einer häufigeren Versendung der Datensätze, wie dies beispielsweise bei einer fest im Fahrzeug installierten Weitbereichsschnittstelle möglich ist. In den Erklärungen zur Figur 3 wurde ein Szenario beschrieben, in dem eine einzelne erfolgreiche Manipulation keinem Beteiligten einen unmittelbaren wirtschaftlichen Vorteil brächte. Insbesondere der Fahrzeughersteller müsste systematisch manipulieren, um durch Manipulation einen nennenswerten Vorteil zu erzielen. Deshalb werden die beschriebenen stichprobenartigen Prüfmöglichkeiten als ausreichende Abschreckung angesehen. Selbstverständlich ist es möglich ein höheres (niedrigeres) Maß von Sicherheit zu fordern und deshalb stärkere (schwächere) Schutzvorkehrungen zu treffen.
Für die Anschaulichkeit wurde an verschiedenen Stellen beschrieben, dass ein Sensor bzw. der NOx-Quantisierer 140 Pulse ausgeben kann, die von einem Zählwerk gezählt werden. Tatsächlich wir ein Sensor bzw. der NOx-Quantisierer 140 typischerweise eine digitale Schnittstelle aufweisen, die einen Zahlenwert übermittelt, der eine in einem Zeitabschnitt angefallene Anzahl Pulse repräsentiert. Das nachgeschaltete Zählwerk wird dann also nicht durch einen Puls inkrementiert, sondern der jeweils vom Sensor empfangene Zahlenwert wird hinzugezählt.
Die in den Erklärungen zur Figur 3 beschriebene Datenbank kann mit den Ausführungsbeispielen aus Figur 1 und Figur 2 kombiniert werden. Wie bei letzteren beschrieben für jede Kombination aus Typ, Baujahr und Stichzeitpunkt in der zentralen Datenverarbeitungsstelle jeweils ein Verbrauchszählwerk und ein Kilometerzählwerk vorzusehen würde mit aktueller Technik ebenfalls typischerweise in Form einer Datenbank gelöst, bei der einzelne Speicherbereiche als Verbrauchszählwerk bzw. Kilometerzählwerk interpretiert würden. In den Erklärungen zur Figur 1 und 2 wurden jeweils Lösungen beschrieben, in denen Datensätze nach der Verarbeitung nicht länger gespeichert wurden. Das spart Speicherplatz, und schützt Daten, die u.U. gewissen Rückschluss auf eine private Lebensführung ermöglichen könnten. Eine Datenbank entsprechend der Erklärungen zur Figur 3 weist flexiblere Auswertungsmöglichkeiten auf und ermöglicht wie beschrieben einen nachträglichen Vergleich von über verschiedene Wege gesendeten Datensätzen.
Die in den Erklärungen zu den Figuren 1, 2 und 3 beschriebene Bildung eines Datensatzes zu einem definierten Stichzeitpunkt stellt offenkundig einen besonders vorteilhaften Ansatz dar, um Zählerstände fahrzeugübergreifend zu addieren. Die Addition ist dabei einfach und direkt möglich und deshalb auch leicht nachvollziehbar. Trotzdem gibt es Alternativen, die insbesondere bei einem Kraftfahrzeug Sinn machen, das mit einer eigenen Weitbereichsschnittstelle ausgestattet ist. Die Steuerung eines solchen Fahrzeugs kann regelmässig versuchen, über diese Weitbereichsschnittstelle eine Verbindung zu einer zentralen Datenverarbeitungsstelle aufzubauen. Bei einem erfolgreichen Verbindungsversuch kann ein Datensatz mit den Zählerständen zum Verbindungszeitpunkt gebildet und übertragen werden. Dadurch kann der Aufwand, einen Stichzeitpunkt zu ermitteln und einen oder ggf. sogar mehrere Datensätze über einen längeren Zeitraum im Fahrzeug zu speichern vermieden werden. Auch in diesem Falle bestünde die Möglichkeit, Zählerstände fahrzeugübergreifend zu addieren. Allerdings müssten dazu in einer zentralen Datenverarbeitungsstelle die Zählerstände durch eine aufwändige Interpolation vergleichbar gemacht werden. Dazu würden die Zählerstände beispielsweise zum jeweiligen Monatswechsel geschätzt. Abgesehen vom höheren mathematischen Aufwand wäre das Ergebnis weniger genau bzw. weniger zuverlässig.
Die in den verschiedenen Figuren gezeigten Ausführungen lassen sich kombinieren
Eine bevorzugte Ausführung kombiniert die an Hand von Figur 1 gezeigten Vorrichtungen für die Zählung des Kraftstoffverbrauchs mit den an Hand von Figur 2 gezeigten Vorrichtungen für die Zählung eines Schadstoffausstoßes, den an Hand von Figur 3 gezeigten Vorrichtungen für die Abschätzung der Wirksamkeit einer Abgasreinigung und den dort gezeigten Vorkehrungen zum Schutz vor Manipulationen.
Die Steuerung 40 kann auf einem oder mehreren programmierbaren Mikrocontrollern, FPGA oder Asics basieren. Diese werden typischerweise in unterschiedlichen Programmiersprachen (typischerweise im ersten Fall in C und in den beiden letztgenannten Fällen in VHDL) programmiert. Trotzdem wird das bzw. werden die resultierenden Programme bzw. Logiken im Folgenden einheitlich als Programmcodemittel bezeichnet. Es ist für den Fachmann ersichtlich, dass und wie die beschriebenen Eigenschaften der Steuerung 40 durch geeignete Programmcodemittel bewirkt werden.
Ansprüche
- Verfahren zur Zählung des Verbrauchs oder der Erzeugung eines Stoffs durch Kraftfahrzeuge, bei dem in einer Steuerung 40 eines Kraftfahrzeugs 10 ein Datensatz gebildet wird, der einen Zeitstempel, einen Zählwerksstand und ein Identifikationsmerkmal umfasst, und der zum Schutz vor Missbrauch verschlüsselt und / oder signiert wird und dazu vorgesehen ist, über eine Weitbereichsschnittstelle an eine zentrale Datenverarbeitungsstelle gesendet zu werden, wobei vorgesehen ist, eine Kontrollvorrichtung 340 rückwirkungsfrei an eine Schnittstelle 70 anzuschliessen, dadurch gekennzeichnet, dass die Schnittstelle 70 dazu ausgebildet ist, unaufgefordert Inhalte des Datensatzes unverschlüsselt auszusenden, so dass diese mit der Kontrollvorrichtung 340 empfangbar sind und dadurch zur Überprüfung der Datensatzbildung und / oder der Datensatzübertragung nutzbar sind.
- Verfahren nach Anspruch 1, dadurch gekennzeichnet, dass vorgesehen ist in der zentralen Datenverarbeitungsstelle Zählwerksstände mit übereinstimmendem Stichzeitpunkt fahrzeugübergreifend zu addieren.
- Verfahren nach Anspruch 1 oder 2, wobei vorgesehen ist zu einem ersten Stichzeitpunkt einen Datensatz zu bilden und zu einem zweiten Zeitpunkt diesen Datensatz an eine zentrale Datenverarbeitungsstelle zu senden. dadurch gekennzeichnet, dass der erste Stichzeitpunkt und der zweite Zeitpunkt verschieden sind und die Zählwerksstände zum ersten Stichzeitpunkt und zum zweiten Zeitpunkt voneinander abweichen können.
- Verfahren nach einem der Ansprüche 1 bis 3, dadurch gekennzeichnet, dass vorgesehen ist an Hand des Identifikationsmerkmals Kraftfahrzeuge nach Typen und / oder Baujahren zu unterscheiden und Zählwerksstände jeweils für Typen und / oder Baujahre getrennt zu addieren.
- Verfahren nach einem der Ansprüche 1 bis 4, dadurch gekennzeichnet, dass sich die Zählung auf die Erzeugung eines Schadstoffs wie CO2, NOx, Kohlenwasserstoff, Kohlenmonoxid oder Ruß bezieht.
- Verfahren nach einem der Ansprüche 1 bis 5, dadurch gekennzeichnet, dass sich die Zählung auf den Verbrauch eines Kraftstoffes bezieht.
- Kraftfahrzeug, vorgesehen zur Durchführung eines Verfahrens zur Zählung des Verbrauchs oder der Erzeugung eines Stoffs nach einem der Ansprüche 1 bis 6 mit einer Steuerung 40, die dazu vorgesehen ist einen Datensatz zu bilden, der einen Zeitstempel, einen Zählwerksstand und ein Identifikationsmerkmal umfasst, und der zum Schutz vor Missbrauch verschlüsselt und / oder signiert ist, und dazu vorgesehen ist, über eine Weitbereichsschnittstelle an eine zentrale Datenverarbeitungsstelle gesendet zu werden, mit einer Schnittstelle 70, dadurch gekennzeichnet, dass die Schnittstelle 70 dazu ausgebildet ist, unaufgefordert Inhalte des Datensatzes unverschlüsselt auszusenden, so dass diese mit einer Kontrollvorrichtung 340 empfangbar sind und dadurch zur Überprüfung der Datensatzbildung und / oder der Datensatzübertragung nutzbar sind.
- Steuerung 40 für ein Kraftfahrzeug, vorgesehen zur Durchführung eines Verfahrens zur Zählung des Verbrauchs oder der Erzeugung eines Stoffs nach einem der Ansprüche 1 bis 6 mit einem nichtflüchtigen Speicher 50, einer Echtzeituhr mit Kalendarium 60, einer Schnittstelle 70 und einem Zählwerk zur Zählung des Verbrauchs oder der Erzeugung eines Stoffs, wobei Programmcodemittel vorgesehen sind, um zu einem Stichzeitpunkt einen Datensatz zu bilden, der einen Zeitstempel, einen Zählwerksstand und ein Identifikationsmerkmal umfasst, dadurch gekennzeichnet, dass Programmcodemittel vorgesehen sind, um diesen Datensatz zu einem zweiten Zeitpunkt über eine Schnittstelle zu versenden.
- zentrale Datenverarbeitungsstelle 150, vorgesehen zur Durchführung eines Verfahrens zur Zählung des Verbrauchs oder der Erzeugung eines Stoffs nach einem der Ansprüche 1 bis 6, mit Mitteln, um einen Datensatz zu empfangen, der einen Zeitstempel, einen Zählwerksstand und ein Identifikationsmerkmal umfasst, dadurch gekennzeichnet, dass Programmcodemittel vorgesehen sind, um Zählwerksstände mit übereinstimmenden Stichzeitpunkt und Fahrzeugtyp fahrzeugübergreifend zu addieren.


